Motorcycling Amateur Radio Club
Combining Motorcycles with Ham Radio in Support of Fundraising Events
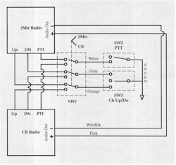
GL1500 radio interface diagram
Δ